세상을 바꾸는 혁신 기술의 숨은 동인, 양방향 전력은 무엇일까? - 일시 : 2019년 1월 23일(수) ~ 2월 26(화) - 모바일 문화상품권 1만원권 20명

'양방향 전력'은 우리의 일상 생활과 관련된 익숙한 분야에서 뿐만 아니라 향후 오지 지역에 대한 탐사 및 그 곳에서의 정착을 위해 필요한 새로운 에너지 저장 및 유틸리티 기술 개발을 위한 핵심적인 요소입니다. 해당 백서를 통해 양방향 전력 변환 기술의 원리와 정의, 다양한 예시를 확인해 보실 수 있습니다.

기술백서 미리보기

기술백서 미리보기

정현파 직폭 변환기(SAC)를 이용한 전력 설계

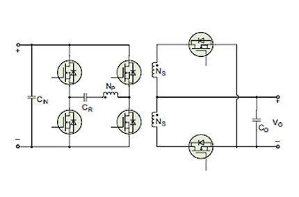
정현파 진폭 변환기TM(SACTM)는 작동 방식 면에서 하드 스위칭 변환기와 큰 차이가 있으며 고효율, 저전도성, 낮은 복사 방출[c] 등 다양한 이점을 제공합니다. SAC는 일반적으로 복합 전원 시스템의 구성에 사용되며 그 예는 참고 문헌에 기재되어 있습니다[d]. SAC는 두 개의 포트로 구성된 정전력 변환기로 출력 조정 기능이 없으며, 1/K(K는 SAC의 변환 계수의 정수 값)에 기반한 변압비에 따라 인가된 직류 전압을 비율계량식으로 변환합니다. 예를 들어...

전원 흐름 분류

좌측 그림의 기본 구성에 따라 전원 흐름의 방식을 크게 몇 가지로 분류할 수 있습니다. SAC는 양방향 모드시 두 개의 포트 중 변환기를 구동하게 될 포트에 따라 동작 모드를 변경할 수 있따는 점에서 타 시스템과 차별화됩니다.

* SAC의 내부 플래너 마그네틱과 관련된 기생 MOSFET의 경우 그 특성이 충분히 규명되었으며 엄격하게 제어됩니다.

이벤트 참여 ※ 경품 당첨시 연락 가능한 이메일, 핸드폰 번호를 입력해 주세요.

내용보기
     본 정보는 VICOR로 전달됩니다.