| 데이터 송수신 디바이스, 수백 볼트 필요해
| LT8365, 다용도 모놀리식 부스트 컨버터
| ±250V 출력 전압으로 최대 10mA 공급
일상 곳곳에 전자 통신 분야가 빠르게 확산되고 있다.
데이터의 감지와 송수신은 광센서, RF MEMS, PIN 다이오드, APD, 레이저 다이오드, 고전압 DAC 등 다양한 종류의 디바이스를 필요로 한다. 이러한 디바이스는 동작할 때 대개 수백 볼트를 필요로 한다. 따라서 엄격한 효율과 공간, 비용 요구사항을 만족하는 DC-DC 컨버터가 필요하다.
아나로그디바이스(ADI)의 LT8365는 다용도 모놀리식 부스트 컨버터로 150V, 1.5A 스위치를 통합하고 있어 휴대용 기기를 포함한 통신 분야의 고전압 애플리케이션에 적합하다.
고전압 출력은 2.8V와 같이 낮거나 60V와 같이 높은 입력에서도 쉽게 생성할 수 있다. 또 옵션으로 확산 스펙트럼 주파수 변조가 제공돼 EMI를 완화시키는 데 도움을 준다.
다른 많은 유용한 기능들은 데이터시트에서 자세히 볼 수 있다.
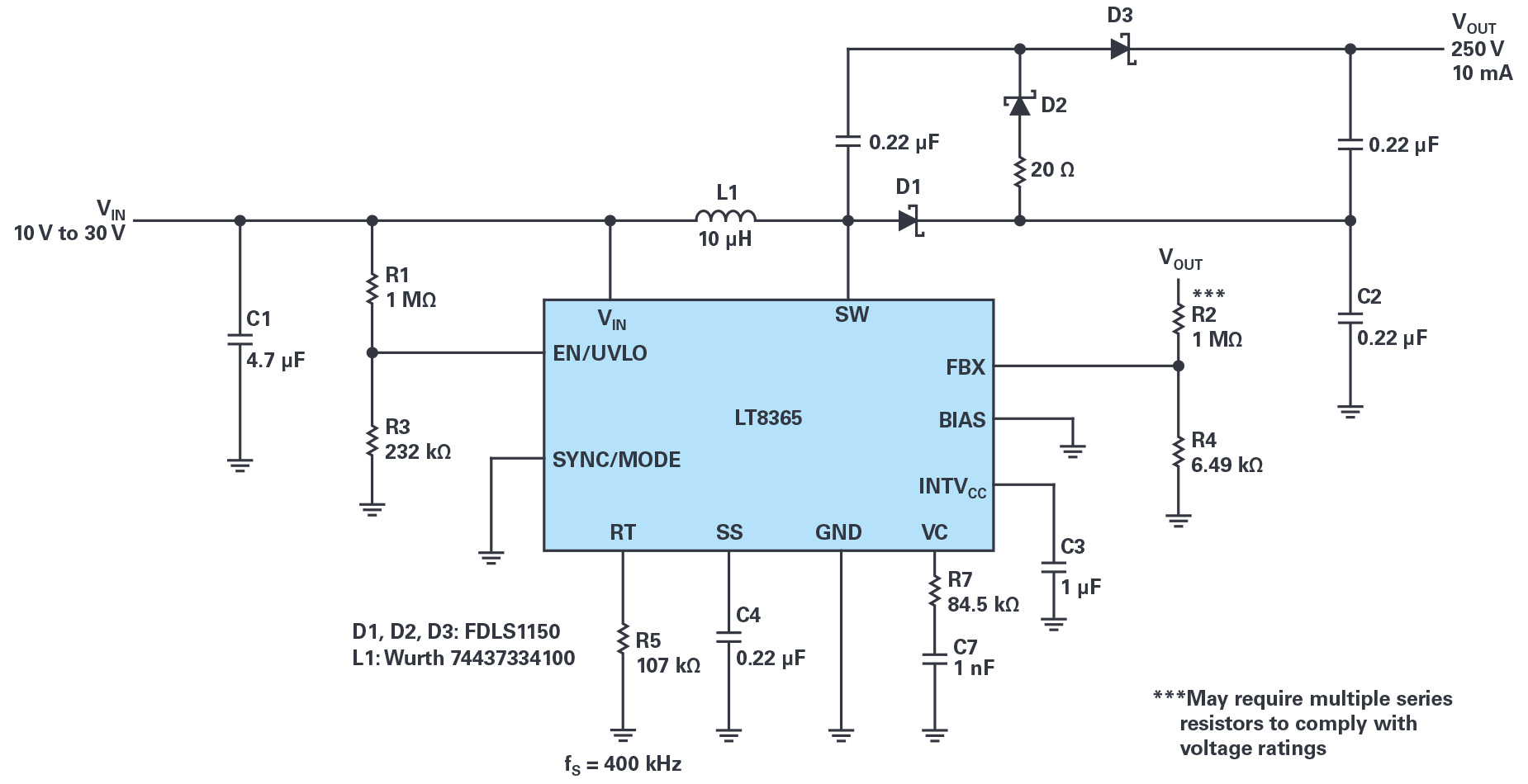
그림 1과 그림 2에 보이는 컨버터는 12V 입력 소스에서 고전압 DAC, MEMS, RF 스위치 및 고전압 연산 증폭기에 포지티브 및 네거티브 전압 레일을 제공하는 데 사용되고 있다.
이 컨버터들은 불연속 전도 모드(Discontinuous Conduction Mode; DCM)에서 동작하며, 약 80%의 변환 효율로 +250V 및 –250V 출력 전압으로 최대 10mA를 공급한다.
 
▲[그림 1] 12V 입력에서 250V 출력 2단 부스트 컨버터
 
▲[그림 2] 12V 입력에서 –250V 출력 2단 인버팅 컨버터
스텝 업 비율, 1:40 이상
부스트 컨버터에서 DCM 동작이 갖는 장점의 하나는 듀티 사이클과 관계없이 높은 스텝 업 비율을 달성할 수 있다는 것이다. 또 인덕터와 출력 커패시터의 값과 물리적 크기를 줄일 수 있기 때문에 PCB에 더 작은 전체 풋프린트 솔루션을 구현할 수 있다. 그림 3의 회로는 1cm2 미만 영역에 쉽게 장착할 수 있다.
매우 낮은 입력 소스만 사용할 수 있고 높은 출력 전압이 필요한 경우가 있다. 그림 3에 보이는 컨버터는 높은 바이어스 전압을 필요로 하는 다양한 애벌란시 포토 다이오드, PIN 다이오드 및 기타 디바이스를 구동하는 데 사용할 수 있다. 이러한 부스트 컨버터는 3V 입력 소스에서 125V를 생성하고 최대 3mA의 부하 전류를 지원한다.
 
▲[그림 3] 3V 입력에서 125V 출력 부스트 컨버터
그림 4에 보이는 컨버터는 3V 입력 소스에서 125V 출력을 250V로 확장하고 약 1.5mA를 지원한다. 통신 분야에서는 낮은 입력 전압 소스로부터 이와 같이 높은 바이어스 전압을 필요로 하는 많은 디바이스들이 있다.
 
▲[그림 4] 3V 입력에서 250V 출력 2단 부스트 컨버터
얼마나 높이고, 또 낮출 수 있나
부스트 컨버터는 포지티브이든 네거티브이든 매우 높은 전압이 필요한 경우 여러 단을 사용하여 출력을 2배, 3배 또는 그 이상 높일 수 있다. 그림 1과 그림 2의 컨버터는 포지티브와 네거티브 두 방향으로 스위치 전압을 두 배로 높이는 방법을 보여준다. 그림 5의 3단 부스트 컨버터는 12V 입력 소스로부터 375V를 생성하며 8mA를 공급한다.
주의할 점은 스위치 성능은 변하지 않기 때문에 출력 전압이 증가함에 따라 사용 가능한 출력 전류가 감소한다는 점이다. 예를 들어 20mA를 공급하도록 설계된 단일 단 컨버터는 2차단을 추가할 경우 약 10mA를 공급하게 된다. 추가적인 단을 추가할 때는 항상 피크 스위치 전류가 보장된 스위치 전류 제한 안에 있는지 확인하도록 한다.
 
▲[그림 5] 12V 입력에서 375V 출력 3단 부스트 컨버터
출력 전압 감지 간소화
LT8365는 출력 전압 감지를 위해 단일 FBX 핀을 제공한다. FBX 핀에 연결된 간단한 저항 분배기가 출력 극성과 관계없이 출력 전압을 감지한다. 이 글에 있는 모든 회로도에서 이를 볼 수 있다.
마무리
LT8365는 통신 분야에서 흔히 볼 수 있는 2.8V와 같이 낮은 입력 전압으로부터 초소형의 효율적인 고출력 전압 부스트 변환을 필요로 하는 애플리케이션을 구현할 수 있다. 또한 인버팅 컨버터로도 사용할 수 있으며, CUK 및 SEPIC 컨버터와 같은 인기 있는 토폴로지에도 사용할 수 있다.
LT8365는 소형, 열 성능 강화된 16핀 MSOP 패키지로 제공된다.
.jpg) 이 기사는 아나로그디바이스 애플리케이션 사업부의 지저스 로잘레스(Jesus Rosales) 애플리케이션 엔지니어가 쓴 ‘통신을 위한 고전압 부스트 및 인버팅 컨버터(High Voltage Boost and Inverting Converters for Communications)’라는 제목의 글을 정리한 것입니다.
이 기사는 아나로그디바이스 애플리케이션 사업부의 지저스 로잘레스(Jesus Rosales) 애플리케이션 엔지니어가 쓴 ‘통신을 위한 고전압 부스트 및 인버팅 컨버터(High Voltage Boost and Inverting Converters for Communications)’라는 제목의 글을 정리한 것입니다.
						
						
						 
					
					
좋은 정보 감사합니다